海菲克智能科技(江苏)有限公司

返回产品中心
  • 运动伺服驱动器HIIS10
运动伺服驱动器HIIS10
HIIS10系列伺服驱动器用于工业机器人,包装,食品等典型行业,集成多种智能控制理论,电流响应好,个性化的操作方式及参数设计,降低对操作热源的技术要求。支持17、23位编码器,速度分辨率高,定位准确,支持485、CAN、EthCAT、通讯,是一款具有高性价比的产品。
产品优势
高精度控制

高精度控制

采用高速DSP芯片,更高控制精度;支持2500线增量式/省线式编码器,17-23位单圈/多圈绝对值编码器

高性能

高性能

只能适配绝对值电机,使电机工作性能打到最优;搭配新一代伺服电机,可覆盖50w-3000w功率段

支持多种指令

支持多种指令

支持脉冲指令和EtherCAT高速总线指令输入,并兼容CAN总线接口,支持Canopen协议和RS485协议

丰富的多功能端口

丰富的多功能端口

支持共阴共阳接法,内部位置模式下脉冲接口可扩展为可编程输入端口;脉冲模块支持5V和24V独立接法,并内置24V电源有效减少信号干扰

产品特点

S系列伺服驱动器适用于工业机器人,包装,食品,等典型行业,集成多种智能控制理论,电流响应好,个性化的操作方式及参数设计,降低对操作人员的技术要求。支持17,23位编码器,速度分辨率高,定位精确,支持485,CAN,EthCAT,通讯。是一款具有高性价比的产品

采用高速DSP芯片,更高控制精度。
支持2500线增量式/省线式编码器,17位-23位单圈/多圈绝对值编码器。
智能适配绝对值电机,使电机工作性能达到最优。
搭配新一代伺服电机,可覆盖50W-3000W功率段。
运动伺服驱动器HIIS10
支持脉冲指令和EtherCAT高速总线指令输入,并兼容CAN总线接口,支持Canopen协议和RS485协议。
丰富的多功能端口,支持共阴共阳接法,内部位置模式下脉冲接口可扩展为可编程输入端口。
脉冲模块支持5V和24V独立接法,并内置24V电源有效减少信号干扰。
命名方式

运动伺服驱动器HIIS10命名方式

HIIS10()B 1R2 2RB 525 7R6 012 018
KW 0.2 0.4 0.75 1 1.5 3
Frame size A B
HIIS10()B 3R5 5R4 8R4 018
KW 1 1.5 2 3
Frame size C
产品参数
单相三相220V
项目 SIZE A SIZE B
驱动器型号 1R2 2R8 5R5 7R6 012 018
驱动器功率KW 0.2  0.4  0.8  1.0  1.5  3.0 
最大适用电机容量KW 0.2  0.4  0.8  1.0  1.5  3.0 
最大输出电流A 1.2  2.8  5.5  7.6  12.0  18.0 
主电路输入电源 单相200V AC-240V AC,-10%-+10%,50Hz/60HZ
控制方式 0:位置控制方式,1:速度控制方式,2:转矩控制方式3:位置速度混合控制方式4:位置转矩混合控制方式:5速度转矩混合控制方式
保护功能 超速/主电源过压欠压/过流/过载/编码器异常/控制电源异常/位置超差等
监视功能 转速/当前位置/指令脉冲积累/位置偏差/电机转矩/电机电流/运行状态等
控制输入 1:伺服使能 2: 报警清除 3: CCW 驱动禁止 4:CW 驱动禁止 5:偏差计数器清零6:指令脉冲禁止 7: CCW转矩限制 8:CW 转矩限制等
控制输出 伺服准备好/伺服报警/定位完成/机械制动等
能耗制动 支持内置和外置
适用负载 小于电机惯量的3倍
通讯方式 RS485、CAN open型、EtherCAT
位置控制 0:脉冲+方向1:CCW/CW 脉冲2:A/B 两相正交脉冲3:内部位置控制
齿轮比分子:1-32767
齿轮比分母:1-32767
三相380V
项目 SIZE C
驱动器型号 3R5 5R4 8R4 018
驱动器功率KW 1.0  1.5  2.0  3.0 
最大适用电机容量KW 1.0  1.5  2.0  3.0 
最大输出电流A 3.5  5.4  8.4  18.0 
主电路输入电源 三相/AC380V AC,-15%-+10%,50Hz/60HZ
控制方式 0:位置控制方式,1:速度控制方式,2:转矩控制方式3:位置速度混合控制方式4:位置转矩混合控制方式:5速度转矩混合控制方式
保护功能 超速/主电源过压欠压/过流/过载/编码器异常/控制电源异常/位置超差等
监视功能 转速/当前位置/指令脉冲积累/位置偏差/电机转矩/电机电流/运行状态等
控制输入 1:伺服使能 2: 报警清除 3: CCW 驱动禁止 4:CW 驱动禁止 5:偏差计数器清零6:指令脉冲禁止 7: CCW转矩限制 8:CW 转矩限制等
控制输出 伺服准备好/伺服报警/定位完成/机械制动等
能耗制动 支持内置和外置
适用负载 小于电机惯量的3倍
通讯方式 RS485、CAN open型、EtherCAT
位置控制 0:脉冲+方向1:CCW/CW 脉冲2:A/B 两相正交脉冲3:内部位置控制
齿轮比分子:1-32767
齿轮比分母:1-32767

运动伺服驱动器HIIS10尺寸示意图

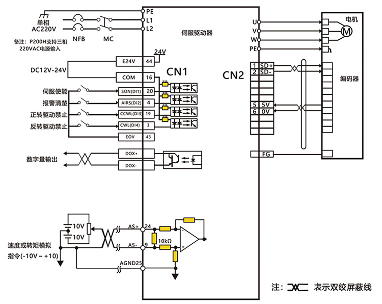
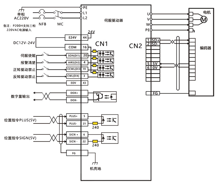
驱动器控制模式接线图
位置控制模式接线图

1.内部+24V电源电压范围20V~28V,最大工作电流100mA。若使用外部24V电源,请将外部电源+24V连接至16号引脚(COM),外部电源0V连接至43号引脚(EOV)。
2.DO输出电源用户需自备,电源范围5V~24V。DO端口最大允许电压DC30V,最大允许电流50mA

位置控制模式接线图

速度控制模式接线图

速度控制模式接线图

zixun_mc
返回顶部